Carboset
Les systèmes de carbonatation Alfa Laval Carboset™ et Carboset™ Mini sont tous deux d'excellents systèmes, précis, automatique et à faible entretien, destinés à la carbonatation de la bière et d'autres boissons, notamment des boissons gazeuses. Notre machine de carbonatation de bière est conçue pour adapter le niveau souhaité de dioxyde de carbone et le besoin en azote dans la bière afin de parfaire vos recettes.
Une machine de carbonatation efficace, automatique et robuste
- Élimine le risque de formation de bulles
- Précision exceptionnelle en matière de mélange
- Dissolution efficace du dioxyde de carbone
- Polyvalent et adaptable aux différentes exigences liées au processus
- Contrôle automatique et entretien réduit

Dimensions*
- (L x l x H) : 1,5 m X 1,0 m X 2,3 m
- CO2 en sortie : jusqu'à 7 g/l (produit final)
* Les dimensions exactes varient en fonction de la plage de capacité.
Carboset™
Le Carboset™ fait partie des systèmes de boissons et d'approvisionnement élaborés en coopération avec l'industrie brassicole. Il s'agit d'un module de carbonatation de bière, compact, robuste et éprouvé, et d'une solution fiable, efficace et hygiénique qui permet d'améliorer la qualité de la bière et d'autres boissons.
Carboset™ Mini
Conçu avec les brasseries artisanales à l'esprit. Ce module spécial vous aide à obtenir le bon niveau de dioxyde de carbone dans la bière et résout le problème de la concentration faible ou irrégulière en dioxyde de carbone dans votre bière. Vous pouvez stocker plusieurs recettes dans Carboset™ Mini avec des réglages individuels pour différentes bières et lignes de remplissage.

Dimensions* :
- (L x l x h) : 1600 x 500 x 2000 mm
- CO2 en sortie : 4-6 g/l
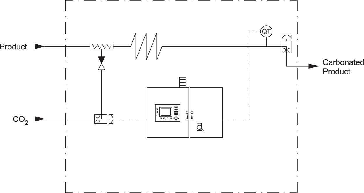
Fonctionnement du système de carbonatation
Atteindre une concentration souhaitée et constante de dioxyde de carbone dans la bière ne pose aucun problème. Avec notre système de carbonatation, le CO2 est injecté directement dans la bière via un mélangeur statique spécialement conçu, ce qui permet de s'assurer de la dissolution efficace du gaz. Vous définissez le niveau de carbonatation requis sur le panneau de commande. Des débitmètres, un compteur de CO2 et une vanne de régulation garantissent le dosage exact du gaz.
Le module comprend une cellule de maintien associée à une soupape de surpression, de sorte que tout le gaz est complètement dissous lorsque la bière quitte le module.
Une application typique pourrait être une carbonatation à exactement 6,0 g/l de CO2 de la bière entrante à une température de 2 °C et une pression de 4 bar (g).
